热线电话
13771307023
网站首页
关于我们
产品展示
搅拌机系列
搅拌装置总成部件
减速机系列
机架系列
联轴器
机械密封
多曲面搅拌机
环保设备系列
荣誉资质
新闻资讯
生产设备
留言反馈
联系我们
通知公告:
宜兴东瑞机械主要经营:搅拌装置,搅拌器,搅拌机,多曲面搅拌机等机械设备,欢迎你的选购!
减速机系列
当前位置:
主页
>
产品展示
>
减速机系列
>
NGW行星齿轮减速机
发布时间:2018/03/26
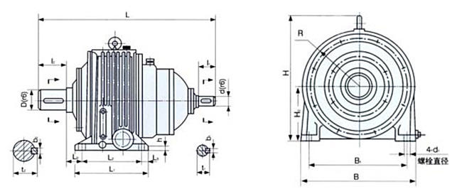
1.单级减速器型式、尺寸图表
机座号
型号
公称传动比i0
外形及中心高
轴 伸
地脚尺寸
质量Kg
L
B
H
H0
R
d
D
i1
i2
t1
b1
t2
b2
L1
L2
L3
L0
B1
d1
h
mm
1
NGW11A
2.8-4.5
530
280
295
125-0.5
125
35
50
55
85
38
10
53.5
14
215
165
25
105
220
M16
20
53
5-12.5
477
30
50
33
8
57
50
2
NGW21A
2.8-4.5
604
305
325
140-0.5
140
40
60
70
105
43
12
64
18
245
185
30
115.5
235
M20
25
80
5-12.5
535
35
55
38
10
60.5
73
3
NGW31A
2.8-4.5
632
350
365
160-0.5
160
45
70
70
105
48.5
14
74.5
20
260
200
30
125
270
M20
25
100
5-12.5
569
40
70
43
12
62
98
4
NGW41A
2.8-4.5
734
380
425.5
180-0.5
180
50
80
85
105
53.5
14
85
22
290
230
30
156
320
M24
30
147
5-12.5
634
45
70
48.5
14
72
128
5
NGW51A
2.8-4.5
845
420
463.5
200-0.5
200
55
90
85
115
59
16
95
25
310
250
30
196.5
360
M24
35
213
5-12.5
729
50
85
53.5
14
80.5
193
6
NGW61A
2.8-4.5
886
475
524
225-0.5
225
60
100
105
125
64
18
106
28
360
290
35
202.2
405
M30
40
289
5-12.5
731
55
85
59
16
67.5
264
7
NGW71A
2.8-4.5
933
535
574
250-0.5
250
65
110
105
140
69
18
116
28
375
305
35
213
465
M30
40
359
5-12.5
800
60
105
64
18
80
301
8
NGW81A
2.8-4.5
1042
590
634
280-0.5
280
75
120
115
160
79.5
20
127
32
440
350
45
219
10
M36
45
449
5-12.5
899
65
105
69
18
86
399
9
NGW91A
2.8-4.5
1141
660
721
315-0.5
315
85
130
125
165
90
22
137
32
475
385
45
225.5
570
M36
45
604
5-12.5
976
75
115
79.5
20
70.5
542
10
NGW101A
2.8-4.5
1261
745
800
355-0.5
355
95
150
140
200
100
25
158
36
525
425
50
251
645
M42
50
810
5-12.5
1073
85
125
90
22
78
732
11
NGW111A
2.8-4.5
1355
840
891
400-0.5
400
105
170
160
200
111
28
179
40
580
480
50
263
740
M42
55
1060
5-12.5
1145
95
140
100
25
73
990
12
NGW121A
2.8-4.5
1500
950
1013
450-0.5
455
115
190
160
240
122
32
200
45
680
560
50
288
820
M42
60
1638
5-12.5
1288
105
160
111
28
73
1475
2.
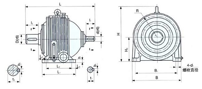
两级减速器型式、尺寸图表
机座号
型号
公称传动比i0
外形及中心高
轴 伸
地脚尺寸
质量Kg
L
B
H
H0
R
d
D
I1
I2
t1
b1
t2
b2
L1
L2
L3
L0
B1
d1
h
mm
4
NGW42A
14-22.5
687
380
425.5
180-0.5
180
35
80
55
105
38
10
85
22
290
230
30
72
320
M24
30
128
25-160
687
30
55
33
8
130
5
NGW52A
14-22.5
767
420
463.5
200-0.5
200
40
90
70
115
43
12
95
25
310
250
30
80.5
360
M24
35
244
25-160
752
35
55
38
10
241
6
NGW62A
14-22.5
806
475
524
225-0.5
225
45
100
70
125
48.5
14
106
28
360
290
35
67.5
405
M30
40
291
25-160
806
40
70
43
12
279
7
NGW72A
14-22.5
890
535
574
250-0.5
250
50
110
85
140
53.5
14
116
28
375
305
35
80
465
M30
40
350
25-160
875
45
70
48.5
14
350
8
NGW82A
14-22.5
977
590
634
280-0.5
280
55
120
85
160
59
16
127
32
440
350
45
86
510
M36
45
488
25-160
977
50
85
53.5
14
460
9
NGW92A
14-22.5
1040
660
721
315-0.5
315
60
130
105
165
64
18
137
32
475
385
45
70.5
570
M36
45
607
25-160
1020
55
85
59
16
577
10
NGW102A
14-22.5
1144
745
800
355-0.5
355
65
150
105
200
69
18
158
36
525
425
50
78
645
M42
50
895
25-160
1144
60
105
64
18
895
11
NGW112A
14-22.5
1222
840
891
400-0.5
400
75
170
115
200
79.5
20
179
40
580
480
50
73
740
M42
55
1120
25-160
1212
65
105
69
18
1075
12
NGW122A
14-22.5
1385
950
1013
450-0.5
455
85
190
125
240
90
22
200
45
680
560
60
73
820
M48
60
1733
25-160
1375
75
115
79.5
20
1539
3.三级减速器型式、尺寸图表
机座号
型号
公称传动比i0
外形及中心高
轴 伸
地脚尺寸
质量Kg
L
B
H
H0
R
d
D
i1
i2
t1
b1
t2
b2
L1
L2
L3
L0
B1
d1
h
mm
7
NGW73A
180-2000
973.5
535
574
250-0.5
250
30
110
55
140
33
8
116
28
375
305
35
80
465
M30
40
382
8
NGW83A
1071
590
634
280-0.5
280
35
120
55
160
38
10
127
32
440
350
45
86
510
M36
45
505
9
NGW93A
1137.5
660
721
315-0.5
315
40
130
70
165
43
12
137
32
475
385
45
70.5
570
M36
45
627
10
NGW103A
1263
745
800
355-0.5
355
45
150
70
200
49
14
158
36
525
425
50
78
645
M42
50
962
11
NGW113A
1359.5
840
891
400-0.5
400
50
170
85
200
54
14
179
40
580
480
50
73
740
M42
55
1163
12
NGW123A
1504
950
1013
450-0.5
455
55
190
85
240
59
16
200
45
680
560
60
73
820
M48
60
1756
上一篇:GK系列减速机
下一篇:P系列行星齿轮减速机
返回列表